一、基本信息(葛店廠區)
1、單位名稱:武漢遠大弘元股份有限公司
2、組織機構代碼:717991729
3、法定代表人: ?錢志強
4、生產地址:湖北省鄂州市葛店開發區創業南路5號
5、聯系方式:87452603
6、生產經營和管理服務的主要內容、產品及規模:氨基酸系列產品的生產及國內外銷售,年產量約3000噸
二、排污信息
1、主要污染物及特征污染物的名稱
廢水:COD、氨氮、pH值、總磷、總氮、懸浮物、動植物油、總有機碳、色度、急性毒性、五日生化需氧量;
廢氣:氯化氫、VOCs、顆粒物、氨氣、硫化氫、臭氣濃度、非甲烷總烴、氯氣。
2、排放方式:
1)廢水通過廠內污水處理站處理達標后,通過唯一主排口排入葛店開發區三王(葛華)污水處理廠;
2)主要生產車間均采取微負壓,生產廢氣經吸收塔處理后高空有組織排放。
信息公示

1.監測報告公示
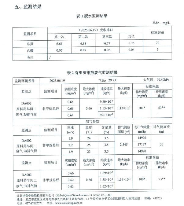
2025年6月監測報告
,廢水、廢氣均達標











2.污染物排放情況

二、基本信息(仙桃分公司)
1、單位名稱:武漢遠大弘元股份有限公司仙桃分公司
2、統一社會信用代碼:91429004MA7FP00U5J
3、法定代表人: ?錢志強
4、生產地址:湖北省仙桃市龍華山丁劉村
5、聯系方式:87452603
6、生產經營和管理服務的主要內容、產品及規模:氨基酸系列產品的生產及國內外銷售,年產量約5400噸
二、排污信息
1、主要污染物及特征污染物的名稱
廢水:COD、氨氮、pH值、總磷、總氮、懸浮物、動植物油、總有機碳、色度、急性毒性、五日生化需氧量;
廢氣:氯化氫、氨氣、硫化氫、臭氣濃度、非甲烷總烴、氯氣、硫酸霧。
2、排放方式:
1)廢水通過廠內污水處理站處理達標后,通過唯一主排口排入仙桃市東江環保科技有限公司污水處理廠;
2)主要生產車間均采取微負壓,生產廢氣經吸收塔處理后高空有組織排放。
信息公示
1.監測報告公示
2025年6月監測報告
,廢水、廢氣均達標



2.污染物排放情況




